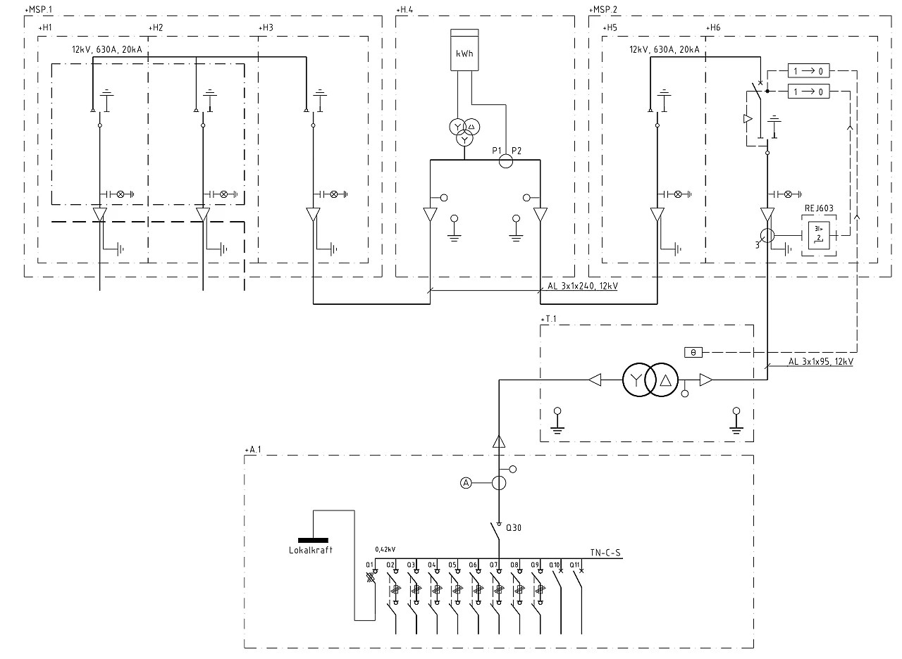
Designed with the strongest focus on operational reliability and personal safety. E-site Single is suited for charging sites with transformers up to 2 000 kVA. The solution meets the requirements of IBH 24 and supports connecting customer installations of 1–36 kV to the power grid.

We have a broad portfolio of modular and scalable solutions for compact secondary substations (CSS). Using steel and concrete as construction materials, we build safe and robust compact secondary substations (CSS).

Solutions customised to requirements.

Minimises installation time on site.

Designed and tested with a focus on safety for the installer and surroundings.

Digital solutions for metering, communication and automation.

The stations fulfil the current IEC 62271-202 standard.

Meets the requirements of IBH 24. Connection of customer installations 1-36 kV to the electricity grid.
Compact secondary substation (CSS) with 3xRMU switchgear and single transformer



